Module 2.5
Digital Logic Quiz
Try our quiz, based on the information you can find in Digital Electronics Module 2 − Digital Logic. Submit your answers and see how many you get right. If you get any answers wrong. Just follow the hints to find the right answer and learn about the number systems used in digital electronics as you go.
1.
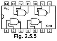
What is the device illustrated in Fig.2.5.1?
