Module 4.4
Amplifier Circuits Quiz
Try our quiz, based on the information you can find in Amplifiers Module 4. Submit your answers and see how many you get right. If you get any answers wrong. Just follow the hints to find the right answer and learn about Amplifiers as you go.
1.
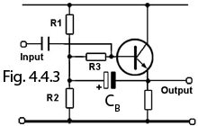
What would be the function of the control circuit shown in Fig. 4.4.1 in an audio amplifier?

