Module 3.5
Logic Families Quiz
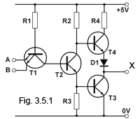
Try our quiz, based on the information you can find in Digital Electronics Module 3 - Logic Families. Submit your answers and see how many you get right. If you get any answers wrong, just follow the hints to find the right answer and learn about the Logic IC Families used in digital electronics as you go.
1.
In the logic IC type number, SN74HCT04N, what do the letters HCT indicate?

